Call:
080 - 23215788
Email:
info@innosyss.co.in
Home
About Us
Products
Office/Modular Furniture Accessories
Industrial Hardware
Cable Accessories & Switch Gear
Cable Accessories
Airvents
Switch Gear
Fastners
Contact Us
Download
Furniture Accessories Catalogue
Industrial Hardware Catalogue
Cable Accessories Catalogue
Airvents Catalogue
Switch Gear Catalogue
Fastners Catalogue
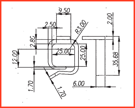
Plastic Cable Loop
Home
/
Products
/
Cable Accessories & Switch Gear
/
Cable Accessories
/
Plastic Cable Loop